legines.com
Cruach ag laghdú trealamh nipple 2510

Cruach ag laghdú trealamh nipple 2510

Áirítear:
Laghdú Hex Nipple: 1 PC;
Cuibheoir a laghdú: 1 ríomhaire;

Is éard atá i gceist le feistis phíobáin ná comhpháirteanna a úsáidtear chun an treo píobaireachta a nascadh, a fhoirceannadh, a rialú agus a athrú. Agus feistis phíobáin á gceannach agat, smaoinigh ar an iarratas, mar go rachaidh sé seo i bhfeidhm ar chineál ábhair, ar chruth, ar mhéid, agus ar mharthanacht riachtanach. Tá feistis ar fáil snáithithe nó neamhthruaillithe, i go leor cruthanna, stíleanna, méideanna, agus sceidil (tiús balla píopaí).

Iarratas tipiciúil:
Grease, cuisniú, ionstraimíocht agus córais hiodrálacha.fuel

Buntáistí:
Snáitheanna Píobáin Dryseal (BSPT (R)/BSP (G).

Déan teagmháil linn

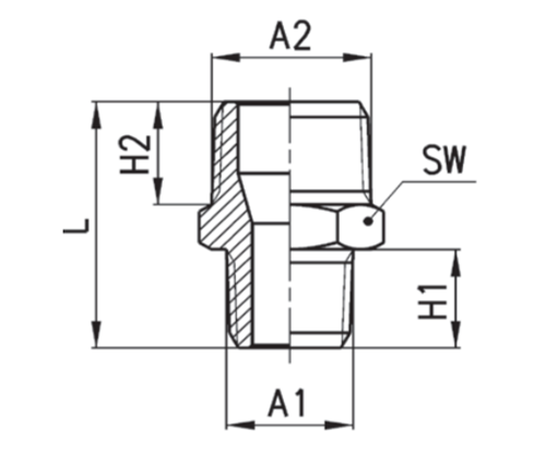
Sonraíochtaí Sonraíochtaí

Cuid#

Méid Snáithe A1 × A2

.W

L

H

2510-AB

R1/8 × R1/4

14

23.5

7.5

2510-Ac

R1/8 × 3/8 17 24.0 7.5

2510-BC

R1/4 × R3/8

17

27.5

11.0

2510-BD

R1/4 × R1/2

22

30.5

11.0

2510-cd

R3/8 × R1.2

22

31.0

11.5

2510-de

R1/2 × R3/4 $ $

27

37.5

14.0

Déan teagmháil linn

Thart ar Leac

Legines Innealra Tionscail Inc.

Mar mhonaróirí feistithe práis gairmiúla sa tSín agus mar bhrú ar sholáthraithe feistis. 45 Uirlisí Meaisín Uathoibríoch, 35 Uirlisí Meaisín CNC Leath-Uathoibríoch, chomh maith le dáileoirí, a tháinig chun bheith ina soláthróirí tábhachtacha chun codanna práis caighdeánacha Mheiriceá a tháirgeadh sa tSín ...
  • onóir a bhronnadh ar
  • onóir a bhronnadh ar

Treoracha & Nuacht