legines.com
72# Feistis Comhbhrúite Tee Rith Fireann Fireann

72# Feistis Comhbhrúite Tee Rith Fireann Fireann

Feistis Comhbhrúite Tee Rith Fireann Fireann 71

Iarratais: Margaí:
■■ Aerlínte ■■ Tionsclaí
■■ Línte bealaithe ■■ Pacáistiú
■■ Línte fuaraithe ■■ Nithiúil
■■ Díograis ■■ Priontáil
■■ Gléasra
■■ Comhbhrúiteoirí
■■ Aistriú sreabhach

Gnéithe Táirgí:
■■ Freastalaíonn sé ar riachtanais fheidhmiúla SAE J-512
■■ UL liostaithe le haghaidh leacht inadhainte
■■ Muinchille práis nó aicéatáit ar fáil
■■ Gan aon ullmhúchán feadán
■■ Cruthanna brionnaithe agus easbhrúite

71 -171c -71a -S71 $ $

Déan teagmháil linn

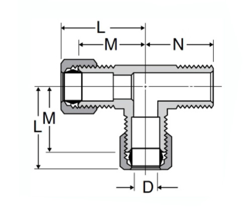
Sonraíochtaí Sonraíochtaí

Cuid#

Feadán O.D × Fireann ThuaidhPTF

M

N

D

71-3A

3/16 × 1/8

.63

.69

.125

71-4A

1/4 × 1/8

.63

.75

.188

71-4b

1/4 × 1/4

.69

.88

.188

71-5A

5/16 × 1/8

.72

.75

.250

71-5b

5/16 × 1/4

.75

.88

.250

71-6A

3/8 × 1/8

.75

.75

.312

71-6b

3/8 × 1/4

.79

.87

.312

71-6C

3/8 × 3/8

.88

1.00

.330

71-8C

1/2 × 3/8

.94

1.09

.406

71-8d

1/2 × 1/2

.97

1.19

.406

71-10D

5/8 × 1/2 $ $

1.06

1.31

.500

Comhlíonann ár bhfeisteas comhbhrúite 72# práis fireann ceanglais fheidhmiúla SAE J-512 agus tá siad liostaithe le haghaidh leacht inadhainte. Níl aon ullmhúchán feadán ag na feistis seo, agus is cruthanna brionnaithe agus easbhrúite iad. Tá siad ar fáil i raon ábhar lena n -áirítear práis, plaisteach agus muinchille miotail. Tá muinchille práis nó aicéatáite ann agus is féidir é a úsáid i réimse feidhmeanna éagsúla amhail fo -charr, tarchuir agus córais bhreosla. Níl aon ullmhúchán feadán ag teastáil. $ $

Déan teagmháil linn

Thart ar Leac

Legines Innealra Tionscail Inc.

Mar mhonaróirí feistithe práis gairmiúla sa tSín agus mar bhrú ar sholáthraithe feistis. 45 Uirlisí Meaisín Uathoibríoch, 35 Uirlisí Meaisín CNC Leath-Uathoibríoch, chomh maith le dáileoirí, a tháinig chun bheith ina soláthróirí tábhachtacha chun codanna práis caighdeánacha Mheiriceá a tháirgeadh sa tSín ...
  • onóir a bhronnadh ar
  • onóir a bhronnadh ar

Treoracha & Nuacht