legines.com
72# Feistis Comhbhrúite Tee Brainse Fireann

72# Feistis Comhbhrúite Tee Brainse Fireann

Iarratais: Margaí:
■■ Aerlínte ■■ Tionsclaí
■■ Línte bealaithe ■■ Pacáistiú
■■ Línte fuaraithe ■■ Nithiúil
■■ Díograis ■■ Priontáil
■■ Gléasra
■■ Comhbhrúiteoirí
■■ Aistriú sreabhach

Gnéithe Táirgí:
■■ Freastalaíonn sé ar riachtanais fheidhmiúla SAE J-512
■■ UL liostaithe le haghaidh leacht inadhainte
■■ Muinchille práis nó aicéatáit ar fáil
■■ Gan aon ullmhúchán feadán
■■ Cruthanna brionnaithe agus easbhrúite

Cuid Tagartha Uimh:
72 -172C -S72 -72A $ $

Déan teagmháil linn

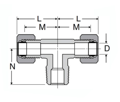
Sonraíochtaí Sonraíochtaí

Cuid#

Feadán O.D × Fireann ThuaidhPTF

M

N

D

72-3A

3/16 × 1/8

.63

.69

.125

72-4A

1/4 × 1/8

.63

.75

.188

72-4b

1/4 × 1/4

.69

.88

.188

72-5A

5/16 × 1/8

.72

.75

.250

72-5b

5/16 × 1/4

.75

.88

.250

72-6A

3/8 × 1/8

.75

.75

.312

72-6b

3/8 × 1/4

.79

.87

.312

72-6C

3/8 × 3/8

.88

1.00

.330

72-8C

1/2 × 3/8

.94

1.09

.406

72-8d

1/2 × 1/2

.97

1.19

.406

72-10D

5/8 × 1/2 $ $

1.06

1.31

.500

Déantar gach feisteas comhbhrúite chun riachtanais fheidhmiúla SAE J-512 agus OL atá liostaithe le haghaidh leacht inadhainte a chomhlíonadh nó a shárú. Tá siad déanta as cóimhiotal alúmanaim, práis nó aicéatáit. Tá leibhéal ard frithsheasmhachta ag ár gcruthanna brionnaithe agus easbhrúite i gcoinne damáiste a tharlódh de ghnáth i bhfeistis níos traidisiúnta. Déanfaimid aon chruth is féidir leat a shamhlú suas le trastomhas uasta de 2 ”.
Is é atá i gceist leis na feistis chomhbhrúite ná Feistiú TEE de chineál brainse 90 ° le haghaidh úsáide le copar, cruach dhosmálta, agus píopa teirmeaplaisteach. Sna sclóine uillinn 360 ° chun go mbeidh sé níos éasca ceangal a dhéanamh le huillinneacha diana agus le píopaí tee. $ $

Déan teagmháil linn

Thart ar Leac

Legines Innealra Tionscail Inc.

Mar mhonaróirí feistithe práis gairmiúla sa tSín agus mar bhrú ar sholáthraithe feistis. 45 Uirlisí Meaisín Uathoibríoch, 35 Uirlisí Meaisín CNC Leath-Uathoibríoch, chomh maith le dáileoirí, a tháinig chun bheith ina soláthróirí tábhachtacha chun codanna práis caighdeánacha Mheiriceá a tháirgeadh sa tSín ...
  • onóir a bhronnadh ar
  • onóir a bhronnadh ar

Treoracha & Nuacht