legines.com
702 Feistis Tee Flare Unverted Union

702 Feistis Tee Flare Unverted Union

Gnéithe Táirgí:
■■ Gach tógáil práis
■■ OL liostaithe le haghaidh leacht agus gás inadhainte
■■ Freastalaíonn sé ar riachtanais fheidhmiúla SAE J512
■■ Cnó cruach don gheilleagar

Margaí: Iarratais:
■■ Aerchóiriú ■■ Línte cuisneáin
■■ Muirí ■■ Línte coscáin
■■ So so. ■■ Línte breosla
■■ Inneall

Feadánra comhoiriúnach:
■■ Copar
■■ Práis
■■ Alúmanam
■■ Feadánra hiodrálach cruach táthaithe

Cuid Tagartha Uimh:
244IFHD -702 -441 $ $

Déan teagmháil linn

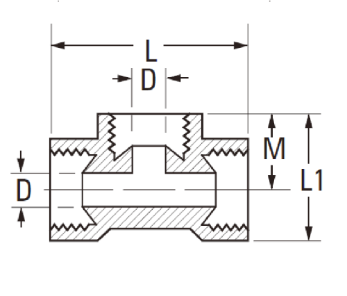
Sonraíochtaí Sonraíochtaí

Cuid#

Feadán O.D

D

M

L

702-2 1/8 .078 .330 .94
702-3 3/16 .125 .390 1.09
702-4 1/4 .188 .420 1.13
702-5 5/16 .219 .450 1.25
702-6 3/8 .281 .560 1.48
702-8 1/2 .406 .937 1.76

*Ref.sae No.040401 BA $ $

Úsáidtear feistiú tee an Aontais Flare inbhéartaithe chun dhá fheadán a nascadh. Ceadaíonn an fheistiú seo sreabhadh ó nasc amháin chun imeacht ón nasc eile gan brú nó sreabhadh a laghdú. Tá tógáil práis atá idirnasctha go hiomlán agus tá dearadh comhlíontach SAE J512 ann, rud a ligeann dó cur in aghaidh creimthe. Is féidir úsáid a bhaint as Tee Union Unverted Flare in iarratais tráchtála agus thionsclaíocha amhail aerchóiriú, línte cuisneáin, innill mhuirí, línte coscáin agus línte breosla soghluaiste.
Tá ár bhfeisteas 702 Flare Union Unverted Union déanta as práis, agus comhlíonann siad riachtanais SAE J512. Tá cnó cruach ann don gheilleagar is féidir é a úsáid i línte antifreeze, sreabhach coscáin, uisce fuaraithe innill mhuirí agus goo. $ $

Déan teagmháil linn

Thart ar Leac

Legines Innealra Tionscail Inc.

Mar mhonaróirí feistithe práis gairmiúla sa tSín agus mar bhrú ar sholáthraithe feistis. 45 Uirlisí Meaisín Uathoibríoch, 35 Uirlisí Meaisín CNC Leath-Uathoibríoch, chomh maith le dáileoirí, a tháinig chun bheith ina soláthróirí tábhachtacha chun codanna práis caighdeánacha Mheiriceá a tháirgeadh sa tSín ...
  • onóir a bhronnadh ar
  • onóir a bhronnadh ar

Treoracha & Nuacht