legines.com
3151# Feistis Práis Prás Cearnóg Feistis Píob Plocóid

3151# Feistis Práis Prás Cearnóg Feistis Píob Plocóid

Gnéithe Táirgí: Margaí:
■■ Gach tógáil práis ■■ Tionsclaí
■■ A fhreastalaíonn ar riachtanais fheidhmiúla ■■ Tógáil
SAE J530 agus SAE J531 ■■ Trucail tromshaothair
■■ Snáitheanna a rinneadh le caighdeáin dryseal ■■ So so.
■■ Tá faiteachtaí agus easbhrúite ar fáil araon ■■ Uathoibriú monarchan/próisis

Iarratais: Feadánra Comhoiriúnach:
■■ Aerlínte ■■ Copar
■■ Líne uisce ■■ Práis
■■ Línte fuaraithe ■■ Píob iarainn

Sonraíochtaí:
Raon brú suas le 1000 psi
Raon teochta -65˚ go 250˚F

Iarratas tipiciúil:
Ramhar, breoslaí, LP agus gás nádúrtha, cuisneoir.instrumation agus córais hiodrálacha

Comhlíonadh:
Freastalaíonn sé ar shonraíochtaí agus ar chaighdeáin ASA, ASME agus SAE.

Cuid Tagartha Uimh:
3151 -211p -109a -109b $ $

Déan teagmháil linn

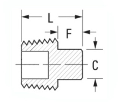
Sonraíochtaí Sonraíochtaí

Cuid#

Méid snáithe

C

F

L

3151-A

1/8

.28

.24

.58

3151-B

1/8

.37

.29

.80

*3151L-B

1/4

.37

.29

.80

3151-C

3/8

.43

.32

.80

3151L-C

3/8

.43

.32

.80

3151-D

1/2

.56

.39

1.07

*3151L-D

1/2

.56

.39

1.07

3151-E

3/4

.62

.43

1.11

*3151L-E

3/4

.62

.43

1.11

*Hollow $ $

Tairgeann ár sraith 3151 raon iomlán feistis feadán a úsáidtear i línte aeir, línte uisce, agus córais bealaithe. Déantar na feistis phráis seo ó Ábhair SAE J530 agus SAE J531 chun do bhrúnna agus do theochtaí oibre a chomhlíonadh do shaol seirbhíse iontaofa. Tá feistis agus easbhrúite ar fáil i bhfeistis, chomh maith le clúdaigh phlátaí atá frithsheasmhach in aghaidh creimthe ar féidir iad a phéinteáil le haon chaighdeán OEM. Comhlíonann an fheistiú seo an caighdeán J530, agus tá sé comhoiriúnach le snáithe píopa dryseal. Cibé an bhfuil tú ag tógáil líne aer nua nó ag cur teicneolaíocht nua -aimseartha in ionad feistis mhiotail níos sine, cuideoidh na feistis mharthanacha seo leat an post a dhéanamh ceart.
Déantar na feistis phlocóidí ceann cearnógacha as práis agus is féidir iad a úsáid i réimse feidhmchlár lena n -áirítear línte fuaraithe, línte uisce, línte aeir, agus naisc leictreonacha. Tá gach feistiú comhoiriúnach le feadánra copair nó le píopa iarainn chomh maith le feadán práis. $ $

Déan teagmháil linn

Thart ar Leac

Legines Innealra Tionscail Inc.

Mar mhonaróirí feistithe práis gairmiúla sa tSín agus mar bhrú ar sholáthraithe feistis. 45 Uirlisí Meaisín Uathoibríoch, 35 Uirlisí Meaisín CNC Leath-Uathoibríoch, chomh maith le dáileoirí, a tháinig chun bheith ina soláthróirí tábhachtacha chun codanna práis caighdeánacha Mheiriceá a tháirgeadh sa tSín ...
  • onóir a bhronnadh ar
  • onóir a bhronnadh ar

Treoracha & Nuacht