legines.com
3350# 45 Céim Sráid Feistis Píob Prás Elbow Street

3350# 45 Céim Sráid Feistis Píob Prás Elbow Street

Gnéithe Táirgí: Margaí:
■■ Gach tógáil práis ■■ Tionsclaí
■■ A fhreastalaíonn ar riachtanais fheidhmiúla ■■ Tógáil
SAE J530 agus SAE J531 ■■ Trucail tromshaothair
■■ Snáitheanna a rinneadh le caighdeáin dryseal ■■ So so.
■■ Tá faiteachtaí agus easbhrúite ar fáil araon ■■ Uathoibriú monarchan/próisis

Iarratais: Feadánra Comhoiriúnach:
■■ Aerlínte ■■ Copar
■■ Líne uisce ■■ Práis
■■ Línte fuaraithe ■■ Píob iarainn

Sonraíochtaí:
Raon brú suas le 1000 psi
Raon teochta -65˚ go 250˚F

Iarratas tipiciúil:
Ramhar, breoslaí, LP agus gás nádúrtha, cuisneoir.instrumation agus córais hiodrálacha

Comhlíonadh:
Freastalaíonn sé ar shonraíochtaí agus ar chaighdeáin ASA, ASME agus SAE.

Cuid Tagartha Uimh:
306 -3350 -2214p -224 -124A $ $

Déan teagmháil linn

Sonraíochtaí Sonraíochtaí

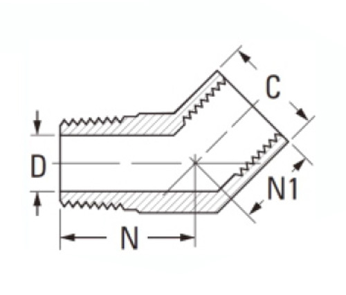
Cuid# Méid snáithe C D Thuaidh N1
3350-A 1/8 × 1/8 9/16 .219 .50 .38
3350-B 1/4 × 1/4 11/16 .315 .74 .56
3350-C 3/8 × 3/8 13/16 .438 .78 .56
3350-D 1/2 × 1/2 1 " .562 1.00 .76
3350-E 3/4 × 3/4 1 "-1/4 .750 1.06 .75

*Ref.sae Uimh.130339 $ $

Is é atá sa 3350 ná feistiú múnlaithe uillinn 45 céim sráide. Déantar an fheistiú le húsáid le héagsúlacht ábhar píobaireachta éagsúla agus is féidir leis suas le 1000 psi a sheasamh. Tá raon teochta oibriúcháin aige freisin idir -65˚ agus 250˚F. Is feistiú píopa é an uillinn sráide ina bhfuil dhá shnáithe píopa ar cheann amháin agus tá lúb 90 ° sa phíopa ag an taobh eile. Úsáidtear na huillinneacha sráide i go leor tionscal éagsúil ó phluiméireacht go hiompar. Déantar uillinneacha sráide i gcumraíocht na mban nó na bhfear chun sreabhadh sreabhán nó gáis a mhéadú thar raon brú, teochtaí agus méideanna líne de réir mar is gá ag an gcustaiméir. $ $

Déan teagmháil linn

Thart ar Leac

Legines Innealra Tionscail Inc.

Mar mhonaróirí feistithe práis gairmiúla sa tSín agus mar bhrú ar sholáthraithe feistis. 45 Uirlisí Meaisín Uathoibríoch, 35 Uirlisí Meaisín CNC Leath-Uathoibríoch, chomh maith le dáileoirí, a tháinig chun bheith ina soláthróirí tábhachtacha chun codanna práis caighdeánacha Mheiriceá a tháirgeadh sa tSín ...
  • onóir a bhronnadh ar
  • onóir a bhronnadh ar

Treoracha & Nuacht