legines.com
3500# Feistis Práis 90 Feistis Píobán Elbow Céim

3500# Feistis Práis 90 Feistis Píobán Elbow Céim

Gnéithe Táirgí: Margaí:
■■ Gach tógáil práis ■■ Tionsclaí
■■ A fhreastalaíonn ar riachtanais fheidhmiúla ■■ Tógáil
SAE J530 agus SAE J531 ■■ Trucail tromshaothair
■■ Snáitheanna a rinneadh le caighdeáin dryseal ■■ So so.
■■ Tá faiteachtaí agus easbhrúite ar fáil araon ■■ Uathoibriú monarchan/próisis

Iarratais: Feadánra Comhoiriúnach:
■■ Aerlínte ■■ Copar
■■ Líne uisce ■■ Práis
■■ Línte fuaraithe ■■ Píob iarainn

Sonraíochtaí:
Raon brú suas le 1000 psi
Raon teochta -65˚ go 250˚F

Iarratas tipiciúil:
Ramhar, breoslaí, LP agus gás nádúrtha, cuisneoir.instrumation agus córais hiodrálacha

Comhlíonadh:
Freastalaíonn sé ar shonraíochtaí agus ar chaighdeáin ASA, ASME agus SAE.

Cuid Tagartha Uimh:
2200p -3500 -302 -200 -28001 go 28005 -100 $ $

Déan teagmháil linn

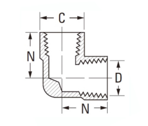
Sonraíochtaí Sonraíochtaí

Cuid# Méid snáithe C D Thuaidh Thuaidh
3500-A 1/8 × 1/8 9/16 .219 .66 .47
3500-B 1/4 × 1/4 11/16 .315 .91 .72
3500-C 3/8 × 3/8 13/16 .438 .97 .78
3500-D 1/2 × 1/2 1 " .562 1.25 1.03
3500-E 3/4 × 3/4 1 "-1/4 .750 1.38 1.12

REF.SAE Uimh.130238 $ $

Déanta as práis, déantar ár n-uillinneacha 90 céim chun freastal ar riachtanais na n-iarratas tionsclaíoch agus tógála. Tá práis bhrionnaithe níos durable, níos deacra agus níos lú seans ann go mbeidh sé ag lúbadh ná táirgí easbhrúite. Tá frithsheasmhacht níos fearr ag ár bhfeistis chré -umha freisin i gcoinne turraing agus creathadh. Cuirimid feistis phíobáin brionnaithe agus easbhrúite ar fáil do thionscadail i ngach feidhm den tionscal, lena n -áirítear línte aeir, línte uisce, línte fuaraithe agus níos mó. Déantar feistis phráis leis na caighdeáin cháilíochta is airde. Ón bpróiseas brionnaithe go snáithe agus críochnú deiridh, déantar gach céim a sheiceáil le huirlisí beachtais. Comhlíonann na feistis seo riachtanais fheidhmiúla SAE J530 agus SAE J531, agus iad comhoiriúnach le SAE Standard SAE J514 agus ASME B16.21. Déantar uillinneacha 90 céim a mhonarú ó phrás ardchaighdeáin, ag soláthar struchtúir láidir agus mharthanach. Cuirimid roghanna gléasta monarchan agus trucail ar fáil le dhá chumraíocht Barb éagsúla chun freastal ar mhéideanna móra feadánra. Cibé an bhfuil tú ag lorg athsholáthair nó más mian leat do chóras a uasghrádú, is féidir le Crouse-Hinds cabhrú. $ $

Déan teagmháil linn

Thart ar Leac

Legines Innealra Tionscail Inc.

Mar mhonaróirí feistithe práis gairmiúla sa tSín agus mar bhrú ar sholáthraithe feistis. 45 Uirlisí Meaisín Uathoibríoch, 35 Uirlisí Meaisín CNC Leath-Uathoibríoch, chomh maith le dáileoirí, a tháinig chun bheith ina soláthróirí tábhachtacha chun codanna práis caighdeánacha Mheiriceá a tháirgeadh sa tSín ...
  • onóir a bhronnadh ar
  • onóir a bhronnadh ar

Treoracha & Nuacht