legines.com
3600# Feistis Práis Feistis Píobáin Práis Tee

3600# Feistis Práis Feistis Píobáin Práis Tee

Gnéithe Táirgí: Margaí:
■■ Gach tógáil práis ■■ Tionsclaí
■■ A fhreastalaíonn ar riachtanais fheidhmiúla ■■ Tógáil
SAE J530 agus SAE J531 ■■ Trucail tromshaothair
■■ Snáitheanna a rinneadh le caighdeáin dryseal ■■ So so.
■■ Tá faiteachtaí agus easbhrúite ar fáil araon ■■ Uathoibriú monarchan/próisis

Iarratais: Feadánra Comhoiriúnach:
■■ Aerlínte ■■ Copar
■■ Líne uisce ■■ Práis
■■ Línte fuaraithe ■■ Píob iarainn

Sonraíochtaí:
Raon brú suas le 1000 psi
Raon teochta -65˚ go 250˚F

Iarratas tipiciúil:
Ramhar, breoslaí, LP agus gás nádúrtha, cuisneoir.instrumation agus córais hiodrálacha

Comhlíonadh:
Freastalaíonn sé ar shonraíochtaí agus ar chaighdeáin ASA, ASME agus SAE.

Cuid Tagartha Uimh:
2224p -3600 -T9 -x106 -226 -329 -128 -28281 ~ 28285 $ $

Déan teagmháil linn

Sonraíochtaí Sonraíochtaí

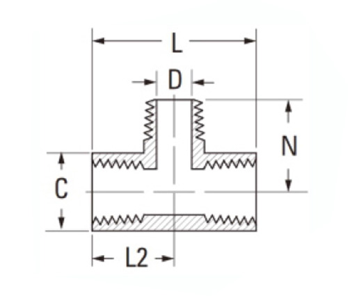
Cuid# Méid snáithe C D L2 Thuaidh
3600-A F1/8 × M1/8 9/16 .219 1.10 .66
3600-B F1/4 × M1/4 11/16 .315 1.56 .91
3600-C F3/8 × M3/8 13/16 .438 1.68 .97
3600-D F1/2 × M1/2 1 " .562 2.18 1.25
3600-E F3/4 × M3/4 1 "-1/4 .750 2.31 1.38

*Ref.sae Uimh.130425 $ $

Déantar feistis tee brainse tromshaothair ó phrás tomhsaire trom, a mhonaraítear go Caighdeáin SAE J530 agus SAE J531. Tá siad ar fáil i bhforbairtí agus i easbhrúite araon, rud a thugann an solúbthacht dúinn réimse leathan roghanna a thairiscint dár gcustaiméirí. Tógtha le rátálacha brú agus teochta araon, tá na teanna brainsí seo oiriúnach le húsáid i mbeagnach aon phróiseas tionsclaíoch. Is féidir an dá bhranda feadánra a úsáid go rathúil leis an bhfeistiú seo. Is féidir lenár n -innealtóirí cáilithe cabhrú leat an táirge is fearr a roghnú nó córas a dhearadh chun do riachtanais shonracha a chomhlíonadh. $ $

Déan teagmháil linn

Thart ar Leac

Legines Innealra Tionscail Inc.

Mar mhonaróirí feistithe práis gairmiúla sa tSín agus mar bhrú ar sholáthraithe feistis. 45 Uirlisí Meaisín Uathoibríoch, 35 Uirlisí Meaisín CNC Leath-Uathoibríoch, chomh maith le dáileoirí, a tháinig chun bheith ina soláthróirí tábhachtacha chun codanna práis caighdeánacha Mheiriceá a tháirgeadh sa tSín ...
  • onóir a bhronnadh ar
  • onóir a bhronnadh ar

Treoracha & Nuacht