legines.com
369PTC Sclóga uillinn fireann 90 °

369PTC Sclóga uillinn fireann 90 °

Gnéithe Táirgí:
■■ Collet práis
■■ Buna n o-fáinne
■■ Tacaíocht feadán cruach dhosmálta
■■ Buaileann sé le D.O.T. FMVSS571.106
■■ Buaileann sé le SAE J2494-3
■■ Comhlacht ilchodach - láidir, éadrom, dlúth agus frithsheasmhach in aghaidh tionchair
■■ Cumraíochtaí breiseáin isteach

Margaí:
■■ Trucail tromshaothair
■■ Leantóir
■■ So so.

Iarratais:
■■ Coscáin aeir
■■ Umair aeir
■■ Aerth Áirithre
■■ Sleamhnán
■■ Boilsciú na mbonn
■■ Línte bunscoile & tánaisteacha
■■ Rialuithe Cab $ $

Déan teagmháil linn

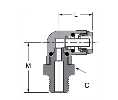
Sonraíochtaí Sonraíochtaí

Cuid Tagartha Uimh:

Cuid# Méid feadán x nptf fireann C M L W.g Praghas a fháil amach
369ptc-4a 1/4 × 1/8 9/16 .69 .69
369ptc-4b 1/4 × 1/4 9/16 .69 1.20
369ptc-4c 1/4 × 3/8 9/16 .69 1.20
369ptc-6a 3/8 × 1/8 3/4 .99 1.13
369ptc-6b 3/8 × 1/4 3/4 .99 1.28
369ptc-6c 3/8 × 3/8 3/4 .99 1.28
369ptc-6d 3/8 × 1/2 3/4 .99 1.47
369ptc-8b 1/2 × 1/4 15/16 1.11 1.39
369ptc-6c 1/2 × 3/8 15/16 1.11 1.39
369ptc-6d 1/2 × 1/2 15/16 1.11 1.58
369ptc-10c 5/8 × 3/8 1-1/16 1.33 1.60
369ptc-10d 5/8 × 1/2 1-1/16 1.33 1.79
369ptc-12d 3/4 × 1/2 1-3/16 $ $ 1.52 1.89
369ptc-12e 3/4x3/4 1-3/16 1.52 1.89

Is cónascaire sclóine ardcháilíochta, tástála go hiomlán é an uillinn fireann 369PTC le collet miotail, Buna n o-fáinne agus tacaíocht feadán cruach dhosmálta. Buaileann sé le D.O.T. FMVSS571.106 Caighdeáin agus Caighdeáin SAE J2494-3 do ghníomh réidh 360 °. Tá comhlacht ilchodach i gceist leis na cumraíochtaí plug-in-láidir, láidir, éadrom, dlúth agus frithsheasmhach. $ $

Déan teagmháil linn

Thart ar Leac

Legines Innealra Tionscail Inc.

Mar mhonaróirí feistithe práis gairmiúla sa tSín agus mar bhrú ar sholáthraithe feistis. 45 Uirlisí Meaisín Uathoibríoch, 35 Uirlisí Meaisín CNC Leath-Uathoibríoch, chomh maith le dáileoirí, a tháinig chun bheith ina soláthróirí tábhachtacha chun codanna práis caighdeánacha Mheiriceá a tháirgeadh sa tSín ...
  • onóir a bhronnadh ar
  • onóir a bhronnadh ar

Treoracha & Nuacht