legines.com
24m Presto Manifold

24m Presto Manifold

Gnéithe Táirgí:
■■ Collet práis
■■ Buna n o-fáinne
■■ Tacaíocht feadán cruach dhosmálta
■■ Buaileann sé le D.O.T. FMVSS571.106
■■ Buaileann sé le SAE J2494-3
■■ Comhlacht ilchodach - láidir, éadrom, dlúth agus frithsheasmhach in aghaidh tionchair
■■ Cumraíochtaí breiseáin isteach

Margaí:
■■ Trucail tromshaothair
■■ Leantóir
■■ So so.

Iarratais:
■■ Coscáin aeir
■■ Umair aeir
■■ Aerth Áirithre
■■ Sleamhnán
■■ Boilsciú na mbonn
■■ Línte bunscoile & tánaisteacha
■■ Rialuithe Cab $ $

Déan teagmháil linn

Sonraíochtaí Sonraíochtaí

Scar

.

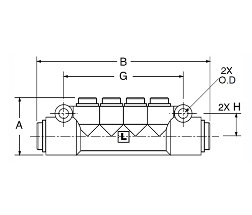
Feadán O.D

Lnlet

Feadán O.D

Maolta

A B D G H M M1 Thuaidh
24m-4-4 1/4 1/4 1.33 3.98 .21 2.75 .53 .90 .88 .89
24m-6-4 3/8 1/4 1.33 4.00 .21 2.75 .53 .90 .88 .89
24m-6-6 3/8 3/8 1.65 6.49 .22 4.55 .60 1.02 1.02 1.33
24m-8-8 1/2 1/2 1.65 6.49 .22 4.55 .60 1.02 1.02 1.33
24m-8-6-4-4-6-8 1/2 3/8 & 1/4 $ $ 1.65 6.49 .22 4.55 .60 1.02 1.02 1.17

Tá 24m Presto Manifold tógtha chun seirbhís éasca, thapa agus iontaofa a sholáthar. Soláthraíonn comhlacht ilchodach le dearadh láidir, éadrom, frithsheasmhach tionchair agus dlúth -dhlúth neart agus an mórchóir á laghdú. Tá an Manifold Presto 24m deartha chun freastal ar D.O.T FMVSSSS571.106, SAE J2494-3 Riachtanais maidir le hiarratais ardbhrú. Ceadaíonn a chumas breiseán & súgartha solúbthacht uasta in aon iarratas. $ $

Déan teagmháil linn

Thart ar Leac

Legines Innealra Tionscail Inc.

Mar mhonaróirí feistithe práis gairmiúla sa tSín agus mar bhrú ar sholáthraithe feistis. 45 Uirlisí Meaisín Uathoibríoch, 35 Uirlisí Meaisín CNC Leath-Uathoibríoch, chomh maith le dáileoirí, a tháinig chun bheith ina soláthróirí tábhachtacha chun codanna práis caighdeánacha Mheiriceá a tháirgeadh sa tSín ...
  • onóir a bhronnadh ar
  • onóir a bhronnadh ar

Treoracha & Nuacht