legines.com
Feistis Elbow Mná Práis BSPT BSPT

Feistis Elbow Mná Práis BSPT BSPT

Cuibheoir Práis BSPT Feistis Elbow Mná 2013

Iarratas tipiciúil:
Grease, cuisniú, ionstraimíocht agus córais hiodrálacha.fuel

Buntáistí:
Snáitheanna Píobáin Dryseal (BSPT (R)/BSP (G).

Déan teagmháil linn

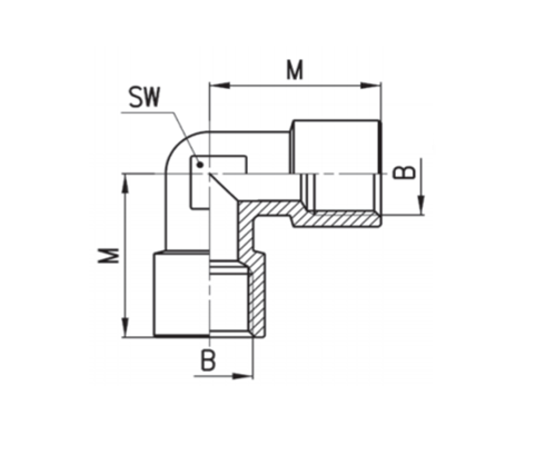
Sonraíochtaí Sonraíochtaí

Cuid#

Méid Snáithe B.

.W

M

2013-A

G1/8 11 18

2013-B

G1/4 12 22

2013-C

G3/8 15 24

2013-D

G1/2 20 30

2013

G3/4 $ $ 24 32

Déantar feistis dryseal ag baint úsáide as córas uathúil agus nuálaíoch chun snáitheanna inmheánacha a shéalú, a chuireann deireadh leis an ngá atá le gaiscéid. Soláthraíonn an córas seo leibhéal marthanacht i bhfad níos airde ná cineálacha traidisiúnta (miotail/rubair) de gháis. Tá ár dtáirgí deartha go sonrach chun brúnna agus teochtaí arda a láimhseáil, agus ag an am céanna is réitigh éifeachtacha costais iad. $ $

Déan teagmháil linn

Thart ar Leac

Legines Innealra Tionscail Inc.

Mar mhonaróirí feistithe práis gairmiúla sa tSín agus mar bhrú ar sholáthraithe feistis. 45 Uirlisí Meaisín Uathoibríoch, 35 Uirlisí Meaisín CNC Leath-Uathoibríoch, chomh maith le dáileoirí, a tháinig chun bheith ina soláthróirí tábhachtacha chun codanna práis caighdeánacha Mheiriceá a tháirgeadh sa tSín ...
  • onóir a bhronnadh ar
  • onóir a bhronnadh ar

Treoracha & Nuacht